ЗАПЧАСТИ ДЛЯ АМЕРИКАНСКИХ АВТОМОБИЛЕЙ
(812) 493-51-12
(921) 926-76-01
0
(812) 493-51-12 (921) 926-76-01
Watsapp работает плохо. Пишите в телеграмм, в макс, а лучше пользуйтесь сервисами сайта.
Найти

АВТОМАТИЧЕСКАЯ КОРОБКА ПЕРЕДАЧ


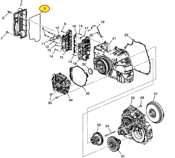
Прокладка поддона АКПП LINCOLN MKX

Годы и двигатели: 2007-2015 (V6 3.5L, V6 3.7L)

Фото Деталь
52701xa
52701xa 52701xa c 52701xa d
+ ещё 2
52701XA PRECISION INTERNATIONAL
Прокладка боковой крышки АКПП (6T70, 6T75, 6F50, 6F55)
1 шт. зак. на саклад
Цена устарела: 1.350 1.350
Lincoln MKX 2007-2015 (V6 3.5L, V6 3.7L)
Каталог LINCOLN MKX
Поисковые запросы:
ПРОКЛАДКА ПОДДОНА АКПП ЛИНКОЛЬН MKX, ПРОКЛАДКА ПОДДОНА АКПП ЛИНКОЛЬН MKX